Какова будет сила тока через источник питания после замыкания ключа?

Какова будет сила тока через источник питания после замыкания ключа?

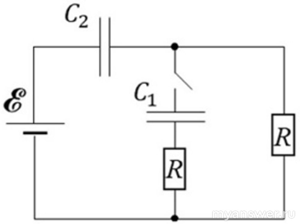
В электрической цепи:

  • емкость конденсатора С₁ = 10 пкф
  • емкость конденсатора С₂ = 20 пкф
  • величина сопротивления R = 10 Ом
  • напряжение источника питания 10 В

В начальный момент:

  • ключ долгое время не замкнут, система находится в равновесии
  • конденсатор С₁​ полностью разряжен

вопросы:

  • какова будет сила тока через источник питания в момент сразу после замыкания ключа?
  • какой суммарный электрический заряд протечет через источник питания после замыкания ключа?
0
Жалоба

Ответы (1)

по условию Задачи: в начальный момент ключ долгое время не замкнут, система находится в равновесии

значит в начальный момент конденсатор С₂ полностью заряжен и ток через самый правый резистор на схеме равен нулю и следовательно падение напряжения (разность потенциалов) на данном резисторе также будет равна нулю

таким образом, в момент замыкания ключа, разность потенциалов на концах цепи, состоящей из конденсатор С₁ и резистора будет равна нулю, следовательно ток в данной цепи не будет течь - т.е. ток будет равен нулю

Ответы:

  • сила тока через источник питания после замыкания ключа - равна нулю
  • электрический заряд через источник питания после замыкания ключа - не протечет, т.е протекший заряд равен нулю
Ответить
+5
© 2012-2026 myanswer.ru
Все вопросы, размещенные на данном сайте, созданы пользователями или собраны из открытых источников. Связаться